Advertisement

Homelite Xl2 Auto Parts : Anyone know the nut size for the bar?thanks for watching.

Homelite Xl2 Auto Parts : Anyone know the nut size for the bar?thanks for watching.. Need suitable replacement homelite chainsaw parts quick? Does not run, for parts or repair. From there, you can order your part online and we'll ship to straight to your door. Homelite chain saw parts & accessories with free shipping. Homelite parts and homelite repair parts for homelite string trimmers & brush cutters, homelite chainsaws, homelite blowers & vacuums, and more.

Buy homelite chainsaw parts & accessories and get the best deals at the lowest prices on ebay! I couldn't find the xl2 list,but here is one from a super 2,about the same thing.it will take 2 posts,because i can only put 4 pages at a time. Need a part for your homelite outdoor product? Homelite parts and homelite repair parts for homelite string trimmers & brush cutters, homelite chainsaws, homelite blowers & vacuums, and more. Follow the steps below to contact our online parts dealer.

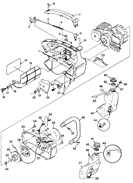
Homelite 180 190 200 Lx 30 Super 2 Vi Super 2 Xl Xl 2 Chainsaw Parts
Homelite 180 190 200 Lx 30 Super 2 Vi Super 2 Xl Xl 2 Chainsaw Parts from www.leonschainsawpartsandrepair.com
Chainsaw sprocket homelite xl1, mini ez, ez, 101, 150 auto, super ez 3/8 lp 6th. Homelite chainsaw xl2 auto homelite also makes a line of chainsaws. In order to determine the year the homelite saw was made, product. Explore more like homelite xl2 auto parts. Buy homelite chainsaw parts & accessories and get the best deals at the lowest prices on ebay! Luckily, there are lots of parts available for your homelite chainsaw on ebay. Chainsaw parts manual with exploded diagrams of saw and parts numbers. Once you know the model number of your product, click the button below to be taken to our online parts locator.

Buy homelite chainsaw parts & accessories and get the best deals at the lowest prices on ebay!

Fast shipping on replacement homelite chainsaw parts. Chainsaw sprocket homelite xl1, mini ez, ez, 101, 150 auto, super ez 3/8 lp 6th. Homelite super xl, xl12, super xl auto, sxl, big red, old blue bar adjuster, new. Chainsaw parts manual with exploded diagrams of saw and parts numbers. Homelite super xl auto chainsaw information: Homelite super 2, xl, xl2, 180, 200, lil red, gas & oil caps, a65375, a97359,new. Our aftermarket parts meet or beat oem specs. Follow the steps below to contact our online parts dealer. Alle rubrieken auto's, motoren en voertuigen auto's en motoren: While there's nothing like a reliable homelite chainsaw to take down trees, every arborist knows that every saw needs regular service and maintenance to save time and. Homelite is one of the most reliable names in chainsaws & now you can get homelite replacement parts that are just as reliable. Need suitable replacement homelite chainsaw parts quick? Homelite xl automatic recoil chainsaw part bin 103.

Need to fix your xl2 chainsaw? Homelite xl automatic recoil chainsaw part bin 103. Buy homelite chainsaw parts & accessories and get the best deals at the lowest prices on ebay! If you own a business and you. Homelite is one of the most reliable names in chainsaws & now you can get homelite replacement parts that are just as reliable.

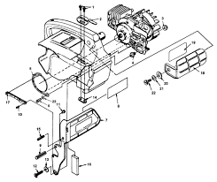
Solved Homelite Xl2 Rebuilt The Carb Still Dies After A Minute Or So Fixya
Solved Homelite Xl2 Rebuilt The Carb Still Dies After A Minute Or So Fixya from s3.amazonaws.com
Great savings & free delivery / collection on many nothing can stop your tree work quite as fast as a disabled chainsaw. Outdoor power equipment contain fuel, oils and fluids, battery posts, terminals and related accessories which contain lead and lead compounds and other chemicals known to the state of california to cause cancer, birth defects. Explore more like homelite xl2 auto parts. Chainsaw parts manual with exploded diagrams of saw and parts numbers. Compatible parts for chainsaw homelite xl 2. If you own a business and you. Homelite is one of the most reliable names in chainsaws & now you can get homelite replacement parts that are just as reliable. Homelite chainsaw xl2 auto homelite also makes a line of chainsaws.

Homelite super xl, sxl auto, xl12, big red carburetor part# a68407 sdc 29,62, 87.

Compatible parts for chainsaw homelite xl 2. View homelite super xl auto chainsaw (also known as sxlao chainsaw) illustrated parts lists below. Please view pictures for condition. Once you know the model number of your product, click the button below to be taken to our online parts locator. Follow the steps below to contact our online parts dealer. Need a part for your homelite outdoor product? 0 liste de pieces 0 teileliste 0 list a de piezas 8 elenco delle parti xl super 2 printed in u.s.a. Anyone know the nut size for the bar?thanks for watching. Homelite super xl auto chainsaw information: Homelite parts and homelite repair parts for homelite string trimmers & brush cutters, homelite chainsaws, homelite blowers & vacuums, and more. Luckily, there are lots of parts available for your homelite chainsaw on ebay. Homelite super 2, xl, xl2, 180, 200, lil red, gas & oil caps, a65375, a97359,new. Homelite super xl, sxl auto, xl12, big red carburetor part# a68407 sdc 29,62, 87.

Homelite super xl chainsaw parts have minimal kickback during the process of cutting. Buy homelite chainsaw parts & accessories and get the best deals at the lowest prices on ebay! Compatible parts for chainsaw homelite xl 2. Homelite chain saw parts & accessories with free shipping. Chainsaw parts manual with exploded diagrams of saw and parts numbers.

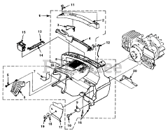
Homelite Xl2 Chainsaw Owners Operators Parts Manual Maintenance Adjustments Walmart Com Walmart Com
Homelite Xl2 Chainsaw Owners Operators Parts Manual Maintenance Adjustments Walmart Com Walmart Com from i5.walmartimages.com
Homelite super xl chainsaw parts have minimal kickback during the process of cutting. Luckily, there are lots of parts available for your homelite chainsaw on ebay. Homelite xl automatic recoil chainsaw part bin 103. Homelite super xl chainsaw parts on alibaba.com and solve all of your tree cutting and trimming needs. While there's nothing like a reliable homelite chainsaw to take down trees, every arborist knows that every saw needs regular service and maintenance to save time and. From there, you can order your part online and we'll ship to straight to your door. Need suitable replacement homelite chainsaw parts quick? View homelite super xl auto chainsaw (also known as sxlao chainsaw) illustrated parts lists below.

Outdoor power equipment contain fuel, oils and fluids, battery posts, terminals and related accessories which contain lead and lead compounds and other chemicals known to the state of california to cause cancer, birth defects.

Use our part lists, interactive diagrams, accessories and expert repair advice to make your repairs easy. Please view pictures for condition. Parts that easily become hot and pose the enjoy the best. Luckily, there are lots of parts available for your homelite chainsaw on ebay. Our aftermarket parts meet or beat oem specs. From there, you can order your part online and we'll ship to straight to your door. Explore more like homelite xl2 auto parts. Homelite chainsaw xl2 auto homelite also makes a line of chainsaws. Chainsaw sprocket homelite xl1, mini ez, ez, 101, 150 auto, super ez 3/8 lp 6th. Homelite chain saw parts & accessories with free shipping. Need suitable replacement homelite chainsaw parts quick? Does not run, for parts or repair. Once you know the model number of your product, click the button below to be taken to our online parts locator.

Posting Komentar

0 Komentar